Новинка
Описание
Много-игольная машина прямых стежков. Швейная машина использует цепной стежок, за счет которого достигается высокая производительность машины.
Интуитивно понятные и точные шаблоны. Машина простота в эксплуатации. По желанию заказчика машина комплектуется дополнительной оснасткой для соединения различный композиций и оформления дизайна борта матраса.
Конструкция без челнока, без частой замены нижней нити.
Автоматическая остановка при обрыве нити.
Полный или независимый контроль с сервоприводом.
Отслеживание эффекта шаблона, автоопределение.
Автоматическое устройство подачи и намотки.
Интуитивно понятные и точные шаблоны. Машина простота в эксплуатации. По желанию заказчика машина комплектуется дополнительной оснасткой для соединения различный композиций и оформления дизайна борта матраса.
Конструкция без челнока, без частой замены нижней нити.
Автоматическая остановка при обрыве нити.
Полный или независимый контроль с сервоприводом.
Отслеживание эффекта шаблона, автоопределение.
Автоматическое устройство подачи и намотки.
Характеристики
| Модель | KH-ZX1 |
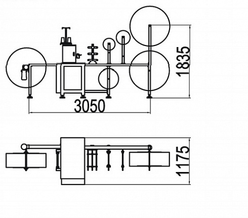
| Габариты | 3050*1175*1835 |
| Мощность, кВт | 2кВт |
| Масса, кг | 200 |
| Требования к электрической сети | 220V, 50HZ |
| Тип швейной головы | Многоигольная |
| Рабочая толщина | до 25 мм |
| Рабочая ширина | 406 мм |
| Размер стежка | 2-5 |
| Расположение игл | 6.35 mm |
| Частота вращения вала | 1200RPM |
Видео

В настройках компонента не выбран ни один тип комментариев